



















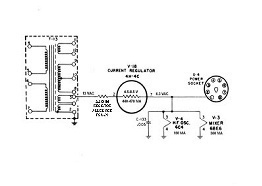
The HRO-60 was the only model in the HRO series to incorporate filament current
regulation. The purpose was to provide constant heating of the two oscillator tubes
to control frequency drifting. A simplified schematic of this circuit can be seen by
clicking the "HRO-60 filament current regulation circuit" link on the left.
The 4H4C is probably the most expensive tube to replace in the HRO-60, and it is a
tube that tends to fail. While supplies do exist, locating a replacement may be
difficult and once found, may be prohibitively expensive. Even back in 1956
National recognized the high failure rate of the tube and the difficulty in finding a
replacement. The company issued FSN-31 and then FSN-41 (reproduced on the left)
to deal with this problem.
History
A ballast is simply a current limiting device. The resistor in series with the NE-2
neon indicator is a ballast, limiting the current through the bulb until it fires.
Amperite, arguably the foremost manufacturer of ballast tubes, started
manufacturing them in 1922.
How a ballast works
A ballast tube consists of a resistance wire (typically iron) with a positive
temperature coefficient in an atmosphere of either hydrogen or helium. Most
heated filaments display the same positive temperature coefficient properties. For
instance a 6V6 as a cold resistance of 2 ohms. At operating temperatures, its
resistance is 14 ohms (more about the 6V6 a bit later.) The ballast is connected in
series with the load. If the load remains constant, as a filament of an oscillator tube
at operating voltage, and the source voltage increases, the resistance of the wire in
the ballast tube will increase, lowering the current in the circuit and keeping the
voltage across the load (and thus the heating of the tube) constant.
Limitations on ballast tubes
As side from the aforementioned cost and availability issues with the 4H-4C, there
are other issues that are encountered with ballast tubes. By design, the tube
regulates current, of course. In the typical case where a ballast regulates two or
more tube filaments in parallel, removing one of the tubes reduces the current load
the ballast sees. This causes the ballast to increase the current in the circuit, raising
the filament voltage possibly to the point of burning out the filament(s) of the
remaining tube(s). In fact, the HRO-60 warns against this, as the chassis carries a
stamped warning between the LO tube and mixer tubes, "Caution, do not remove
these tubes when fil pwr is on." The response time of the ballast to changes in either
supply voltage or load is not instantaneous and can take several minutes to
stabilize. Therefore, the ballast does not do a good job in dealing with short
fluctuations in line voltage. A ballast can generate a lot of additional heat, heat that
can lead to additional frequency stability problems in the receiver. Finally,
depending upon the current flowing through the ballast, it can have a very short
life. Amperite's literature quotes a average life of 2,000 hours when operated as
recommended. That life is cut in half when operated at maximum voltage and is
extended to 5,000 hours if operated at 80% of maximum voltage.
HRO-60 Ballast substitute
The National Company recognized the problem with the short lived 4H-4C. In
FSN-41 they suggested substituting a 6V6. The 6V6 works in the circuit since its
filament has the same pin out as the 4H4C and the same current draw as the two
tubes in series with 4H4C, 450 mA. The 6V6 simply becomes a dropping resistor,
evenly dividing the 13 applied volts between its filament and the 6.3 volt oscillator
and mixer filaments.
Our approach
Rather than leaving a 4H4C in the circuit or following National's suggestion of
inserting a 6V6 in the 4H4C socket, we developed a solid state replacement that
would actually regulate the oscillator and filament voltages. The plug in module
can be seen at the left and there is a link, on the left, for the module's schematic.
Click on any picture to enlarge it
National's FSN-31 on the 4H4C problem.
National's FSN-41 on the 4H4C problem.
Solid state 4H4C replacement.
Installed replacement
HRO filament regulation circuit
Solid state 4H4C schematic
Amperite 4H4C spec sheet